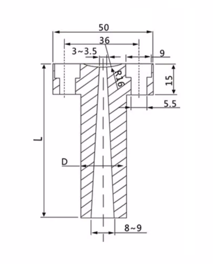
- Bạc cuống phun loại A là vật tư trong khuôn ép phun được lắp ở đầu tấm khuôn, là cổng để tiếp xúc với đầu vòi bơm của máy đúc nhựa và khuôn mẫu, bạc cuống phun có kích thước và dung sai theo tiêu chuẩn, được gia công sản xuất trên dây truyền công nghệ cao.
- Thông số kỹ thuật của bạc bơm loại A1

Hãy là người đầu tiên nhận xét “Bạc cuống phun A20” Hủy
Các bạn có thể thanh toán tiền mua source code qua một trong các tài khoản sau:
1. Vietcombank
- DEMO
- 0691000374599
- Vietcombank Chi nhánh Tây hà Nội
2. Agribank
- DEMO
- 2000206180703
- Agribank Chi nhánh Đà Nẵng
3. ACB
- DEMO
- 221262879
- ACB chi nhánh Hà Thành
1. Vietcombank
- DEMO
- 0691000374599
- Vietcombank Chi nhánh Tây hà Nội
2. Agribank
- DEMO
- 2000206180703
- Agribank Chi nhánh Đà Nẵng
3. ACB
- DEMO
- 221262879
- ACB chi nhánh Hà Thành


Đánh giá
Chưa có đánh giá nào.